訂(ding)購熱(re)線:138-1855-8727
服務熱線
021-50847732
固豪簡介 固豪文化 合作客戶
聯系我們 在線留言
熱門關鍵詞: 伸縮懸臂貨架 抽屜板材貨架 上海重型貨架 上海托盤貨架 閣樓式貨架 懸臂式貨架
咨詢熱線
淚滴托盤架淚珠托盤貨架的標準設計與大多數淚珠托盤貨架系統兼容。中央鋼筋提供了較重的支撐,從而增加了強度和剛度。較大的色譜柱可提供更好的抗沖擊性,與市場上的普通產品相比,可確保更長的使用壽命,并且無需特別維護。實際上,它可能是用于工業,零售和一般存儲應用的理想設備。另一方面,它可以支撐1200磅的額定容量。設備兩端的框架都配有鋼制支撐以增加強度。。 特特征◆主要由立式框架,橫梁及相關配件組成,如立式保護裝置,支撐桿,金屬絲網等。◆滑入式水滴形打孔設計很受歡迎,可將水平梁鎖定在垂直立柱上,安裝快捷方便。◆立柱與橫梁的連接采用楔形,并配有安全銷;◆孔距:50.8mm
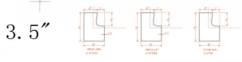
立柱規格:
橫梁的規格:
我們也可以根據(ju)您所提(ti)供的(de)信(xin)息,提(ti)供完整(zheng)的(de)設(she)計方(fang)案
上海固豪倉儲設備有限公司(si)
服務熱線(xian):138-1855-8727 張(zhang)先生
聯系郵箱:zzl@gracking.com
公司地址:上海市閔(min)行區聯航路1818號
微信(xin)二(er)維(wei)碼
手機二維碼
上(shang)海固豪(hao)倉(cang)儲設備有限公(gong)司(si) 版權(quan)所有 技術支持:
服務電話
返回頂部